山東萬象環境科技有限公司
聯系人:毛經理
聯系電話:15666889815
QQ:1950883583
公司地址:山東省濰坊高新區新城街道玉清社區光電路155號濰坊高新區光電產業加速器(一期)1號樓301
PRODUCT
聯系人:毛經理
聯系電話:15666889815
QQ:1950883583
公司地址:山東省濰坊高新區新城街道玉清社區光電路155號濰坊高新區光電產業加速器(一期)1號樓301

更新時間:2025-12-19
產品型號:WX-QT5
產品價格:電議
產品品牌:萬象系
一、氧含量傳感器技術參數
氧含量傳感器又稱氧氣傳感器,是工業、醫療、環境安全等領域中應用最廣泛的氣體傳感器之一,氧含量傳感器是專門用于測量混合氣體中氧氣的體積濃度的傳感器設備,可廣泛應用于工業自動化、環境監測、醫療設備等領域使用
型號 | 測量參數 | 測量范圍 | 精度 | 分辨率 | 單位 | 工作溫度 | 工作濕度 |
QT1 | 一氧化碳 | 0-1000PPM | ±2PPM | 1PPM | PPM | -20℃-+50℃ | 10-95%RH無冷凝 |
QT1S | 0-20PPM | ≤±5% | 0.01PPM | PPM | -20℃-+50℃ | 10-95%RH無冷凝 | |
QT2 | 二氧化硫 | 0-20PPM | ±1PPM | 0.1PPM | PPM | -20℃-+50℃ | 10-95%RH無冷凝 |
QT2S | 0-1PPM | ≤±5% | 0.001ppm | PPM | -20℃-+50℃ | 10-95%RH無冷凝 | |
QT3 | 二氧化氮 | 0-20PPM | ±1PPM | 0.1PPM | PPM | -20℃-+50℃ | 10-95%RH無冷凝 |
QT3S | 0-1PPM | ≤±5% | 0.001ppm | PPM | -20℃-+50℃ | 10-95%RH無冷凝 | |
QT4 | 臭氧 | 0-20PPM | ±1PPM | 0.1PPM | PPM | -20℃-+50℃ | 10-95%RH無冷凝 |
QT4S | 0-1PPM | ≤±5% | 0.001ppm | PPM | -20℃-+50℃ | 10-95%RH無冷凝 | |
QT5 | 氧含量 | 0~30%VOL | ±3%FS | 0.1%VOL | VOL | -20℃-+50℃ | 5-95%RH 無冷凝 |
QT6 | 負氧離子 | 0~10萬 個/cm3 | ±10% | 10個/cm3 | 個/cm3 | +10℃-+70℃ | 10-70%RH無冷凝 |
QT7 | 硫化氫 | 0-100PPM | ±2PPM | 1PPM | PPM | -20℃-+50℃ | 10-95%RH無冷凝 |
QT8 | 甲烷 | 0-100%LEL | ≤±3% | 1%LEL | LEL | -20℃-+50℃ | 10-95%RH無冷凝 |
QT9 | TVOC | 0-100PPM | 55±15 nA/ppm | 1PPM | PPM | -20℃-+50℃ | 10-95%RH無冷凝 |
QT10 | 氨氣 | 0-100PPM | ±4PPM | 1PPM | PPM | -20℃-+50℃ | 10-95%RH無冷凝 |
QT11 | 一氧化氮 | 0-250PPM | -2~10PPM | 1PPM | PPM | -20℃-+50℃ | 10-95%RH無冷凝 |
QT12 | 甲醛 | 0-10PPM | <1PPM | 0.1PPM | PPM | -20℃-+50℃ | 10-95%RH無冷凝 |
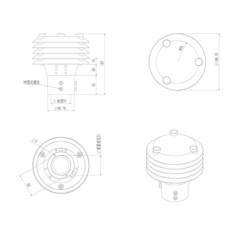
二、氧含量傳感器產品尺寸圖

看穿光伏板內部隱患!電致發光el測試儀讓檢測更精準
2025-12-19 10:05:46告別水質 “盲判”!便攜式檢測儀讓檢測隨時隨地
2025-12-19 10:04:07田間的氣象智慧管家:農業氣象觀測站的實用價值
2025-12-19 09:57:35并網式光伏氣象站如何助力高效發電?
2025-12-18 09:31:59鴿子性別鑒別儀:養鴿人的“貼心助手”
2025-12-18 09:30:37便攜式自動氣象站:隨身的“天氣感知官”
2025-12-18 09:29:10雙通道16孔pcr檢測儀,重新定義動物疫病檢測方式
2025-09-10 10:42:35便攜電子氣象儀有多重功能
2025-04-01 10:48:02草原氣象環境監測系統——智能感知氣象參數
2024-05-20 10:31:34土壤水分溫度電導率測定儀:農田里的“健康檢測師”
2025-10-13 10:22:35超聲波五要素氣象站:聲動氣象,盡在掌握
2025-03-31 10:58:00精準捕捉鼠情——鼠害監測儀的智能本領
2025-12-12 09:50:45