山東萬象環境科技有限公司
聯系人:毛經理
聯系電話:15666889815
QQ:1950883583
公司地址:山東省濰坊高新區新城街道玉清社區光電路155號濰坊高新區光電產業加速器(一期)1號樓301
PRODUCT
聯系人:毛經理
聯系電話:15666889815
QQ:1950883583
公司地址:山東省濰坊高新區新城街道玉清社區光電路155號濰坊高新區光電產業加速器(一期)1號樓301

更新時間:2025-12-19
產品型號:WX-QT1
產品價格:電議
產品品牌:萬象系
一、一氧化碳傳感器技術參數
一氧化碳傳感器又稱一氧化碳氣體傳感器,一氧化碳傳感器是專門用于檢測空氣中一氧化碳(CO)氣體濃度的核心器件,能將 CO 濃度信號轉化為可讀取的電信號,廣泛應用于安全預警與環境監測場景。
|
型號 |
測量參數 |
測量范圍 |
精度 |
分辨率 |
單位 |
工作溫度 |
工作濕度 |
|
QT1 |
一氧化碳 |
0-1000PPM |
±2PPM |
1PPM |
PPM |
-20℃-+50℃ |
10-95%RH無冷凝 |
|
QT1S |
0-20PPM |
≤±5% |
0.01PPM |
PPM |
-20℃-+50℃ |
10-95%RH無冷凝 |
|
|
QT2 |
二氧化硫 |
0-20PPM |
±1PPM |
0.1PPM |
PPM |
-20℃-+50℃ |
10-95%RH無冷凝 |
|
QT2S |
0-1PPM |
≤±5% |
0.001ppm |
PPM |
-20℃-+50℃ |
10-95%RH無冷凝 |
|
|
QT3 |
二氧化氮 |
0-20PPM |
±1PPM |
0.1PPM |
PPM |
-20℃-+50℃ |
10-95%RH無冷凝 |
|
QT3S |
0-1PPM |
≤±5% |
0.001ppm |
PPM |
-20℃-+50℃ |
10-95%RH無冷凝 |
|
|
QT4 |
臭氧 |
0-20PPM |
±1PPM |
0.1PPM |
PPM |
-20℃-+50℃ |
10-95%RH無冷凝 |
|
QT4S |
0-1PPM |
≤±5% |
0.001ppm |
PPM |
-20℃-+50℃ |
10-95%RH無冷凝 |
|
|
QT5 |
氧含量 |
0~30%VOL |
±3%FS |
0.1%VOL |
VOL |
-20℃-+50℃ |
5-95%RH 無冷凝 |
|
QT6 |
負氧離子 |
0~10萬 個/cm3 |
±10% |
10個/cm3 |
個/cm3 |
+10℃-+70℃ |
10-70%RH無冷凝 |
|
QT7 |
硫化氫 |
0-100PPM |
±2PPM |
1PPM |
PPM |
-20℃-+50℃ |
10-95%RH無冷凝 |
|
QT8 |
甲烷 |
0-100%LEL |
≤±3% |
1%LEL |
LEL |
-20℃-+50℃ |
10-95%RH無冷凝 |
|
QT9 |
TVOC |
0-100PPM |
55±15 nA/ppm |
1PPM |
PPM |
-20℃-+50℃ |
10-95%RH無冷凝 |
|
QT10 |
氨氣 |
0-100PPM |
±4PPM |
1PPM |
PPM |
-20℃-+50℃ |
10-95%RH無冷凝 |
|
QT11 |
一氧化氮 |
0-250PPM |
-2~10PPM |
1PPM |
PPM |
-20℃-+50℃ |
10-95%RH無冷凝 |
|
QT12 |
甲醛 |
0-10PPM |
<1PPM |
0.1PPM |
PPM |
-20℃-+50℃ |
10-95%RH無冷凝 |
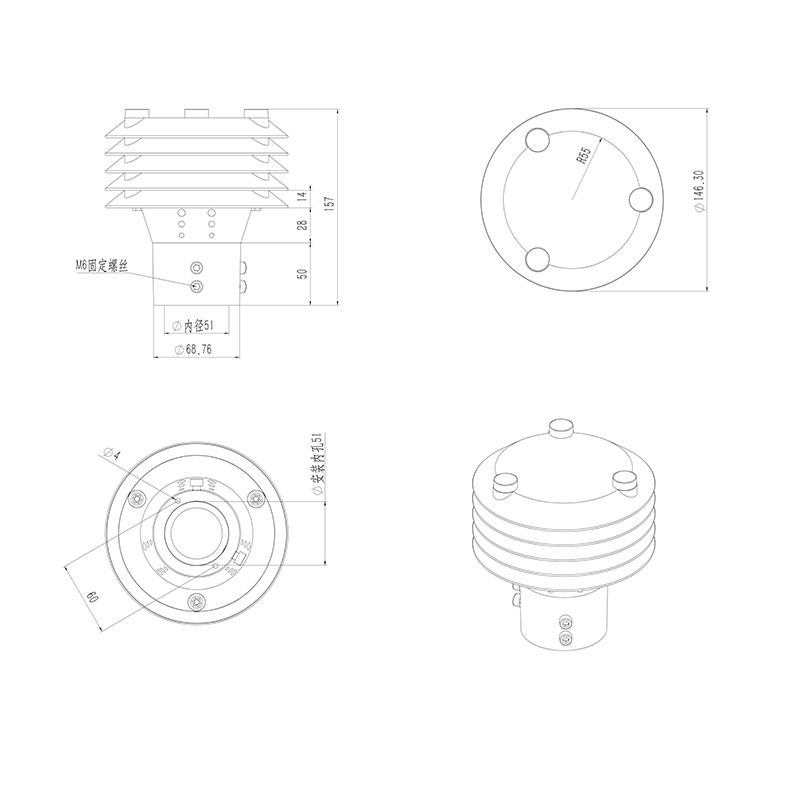
二、一氧化碳傳感器產品尺寸圖
看穿光伏板內部隱患!電致發光el測試儀讓檢測更精準
2025-12-19 10:05:46告別水質 “盲判”!便攜式檢測儀讓檢測隨時隨地
2025-12-19 10:04:07田間的氣象智慧管家:農業氣象觀測站的實用價值
2025-12-19 09:57:35并網式光伏氣象站如何助力高效發電?
2025-12-18 09:31:59鴿子性別鑒別儀:養鴿人的“貼心助手”
2025-12-18 09:30:37便攜式自動氣象站:隨身的“天氣感知官”
2025-12-18 09:29:10光合強度測定儀的工作原理是什么?
2024-04-16 10:24:47國產負氧離子大氣監測系統創新之處
2024-09-27 10:25:18戶外氣象 “全能王”:高精度手持氣象站
2025-11-17 10:04:11石油化工雷電預警系統的作用
2024-09-02 10:49:06液晶屏防爆氣象站適用于易燃易爆區域
2023-08-17 17:23:15六要素超聲波微氣象儀——值得信任的環境監測儀器
2023-06-19 17:05:52