1. Product Introduction
1.Water Quality Buoy Monitoring StationSFAAn unmanned data collection system that integrates data collection, storage, transmission, and management. It is used in hydrological automatic monitoring systems for the purpose of industrial and agricultural production, tourism, urban environmental monitoring, geological disasters, flood control, water supply scheduling, and power station reservoir water management; The powerful superior software can remotely observe real-time hydrological and meteorological information, with database, report, download and other functions, and users can also use this function-rich meteorological software to further process and analyze the recorded data.
2. The SFA05 floating buoy is composed of six parts: water quality sensor (water temperature, conductivity, PH, dissolved oxygen), data logger, communication system, power supply system, overall support frame, and water quality monitoring platform. At the same time, it can be extended to include multiple water quality elements such as ammonia nitrogen, turbidity, and COD. The data logger has data acquisition, real-time clock, data storage, parameter setting, and standard 2G/4G (GPRS) communication functions.
Second, product features
1. Easy deployment: All types of probes are highly integrated, easy to install; free cloud platform service is provided, and the system is quickly launched;
2. Easy maintenance: The equipment can operate independently after installation, without the need for manual supervision, and can also be monitored remotely to ensure the normal operation of the equipment;
3. Easy to expand: all sensor probes use a unified communication protocol, which can quickly connect to the original equipment and quickly expand the monitoring parameters;
4. Low power consumption: The device can achieve low power consumption state, long-term operation, and increase the convenience of device use;
5. Real-time: The data monitored by the equipment is transmitted to the cloud platform in real-time, enhancing the timeliness of environmental data feedback.
Three, Technical Parameters
1. Subject parameters
| Product Name | Description |
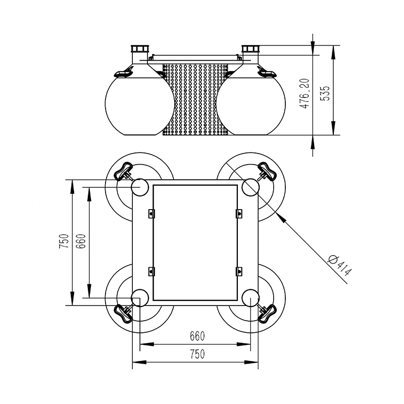
| Environmental water quality monitoring buoy | Real-time multi-parameter online monitoring can be achieved. Battery monitoring can be realized. Cloud platform data monitoring, data push, data storage and alarm functions; wireless data transmission function. Peak power consumption is 5W; sensor power consumption is about 0.25W/piece. Dimensions: 750mm*750mm*535mm.浮球 diameter 414mm weight: 22kg |
| Data collection by the collector | Reliable operation, anti-interference, can be integrated with multiple RS485/MODBUS-RTU slave devices |
| Data output from the collector | 1 Road Rs485/JSON protocol output |
| Battery | Lithium battery 12VDC, 20AH (default) |
| Solar panels | 22.1V/50W (default) |
| Power supply capacity | Customized selection; intermittent work on rainy days for more than 5 days |
| Location indicator (optional) | Warning light; GPS positioning; |
| Monitoring platform | Cloud platform; mobile/pc multi-device login |
| Cover | 304 Stainless Steel Filter Housing Cover |
| Floating body | Diameter 414mm Spherical Buoy*4 Engineering Plastic |
2.Main parameters of the sensor, which can be optionally equipped
|
|
|
|
|
|
|
| Serial number | Name | Measurement range | Measurement principle | Measurement accuracy | Is it standard equipment | Note |
| 1 | Temperature | 0~50℃ | High-precision digital sensor | ±0.3℃ | ? |
|
| 2 | pH | 0~14 (ph) | Electrochemistry (salt bridge) | ± 0.1PH | ? |
|
| 3 | ORP | -1500mv~1500mv | Electrochemistry (salt bridge) | ± 6mv |
|
|
| 4 | Electrical conductivity | 0~5000uS/cm | Contact method of electrode | ± 1.5% | ? |
|
| 5 | Turbidity | 0~40NTU (Low turbidity) | Scattering light method | ± 1% |
| Low turbidity can be customized |
| 0~1000NTU (moderately turbid) | Scattering light method | ± 1% |
| Customizable medium turbidity |
| 0~3000NTU (High Turbidity) | Scattering light method | ± 1% |
| Default send |
| 6 | Dissolved oxygen | 0~20mg/L | Fluorescence lifetime method | ± 2% | ? |
|
| 7 | Ammonium nitrogen | 0~100mg/l | Ion selective electrode method | ±1mg |
|
|
| 8 | cod | 0~500mg/ L | UV254 absorption method | ±5% |
| Equipped with an automatic cleaner to prevent bio附著, avoid window pollution, and ensure long-term monitoring stability; the automatic cleaning time and the number of cleanings can be set, with a power consumption of 0.7W. |
| Turbidity | 0~400NTU | Scattering light method | ± 1% |
|
| 9 | Suspended matter | 0~2000mg/L | Scattering light method | ±5% (depending on the homogeneity of the sludge) |
|
|
| 10 | Chlorophyll | 0~400ug/L | Fluorescence method | R2>0.999 |
| Equipped with an automatic cleaner to prevent bio附著, avoid window pollution, and ensure long-term monitoring stability; the automatic cleaning time and the number of cleanings can be set, with a power consumption of 0.7W. |
IV. Product Size Chart

5. Equipment installation requirements
1. Stay away from high-power radio transmitting sources
2. Stay away from high-voltage transmission lines and microwave radio transmission channels
3. As close as possible to the data transmission network
4. Stay away from strong electromagnetic interference
Six, Cloud Platform Introduction
1. CS architecture software platform, supports mobile phones, PC browsers to directly observe. No need to install additional software.
2. Support multiple accounts, multiple devices login
3. Support real-time data display and historical data display dashboard
4. Cloud server. Cloud data storage, stable and reliable, easy to expand, load balancing.
5. Support SMS alarm and threshold setting
6. Support for map display, view device information.
7. Support for data curve analysis
8. Support for data export in table format
9. Support data forwarding, HJ-212 protocol, TCP forwarding, http protocol, etc.
10. Support for data post-processing functions
11. Support for external JavaScript scripts
Product address:
http://m.0757gl.com/en/fubiaoshuizhi/1564.html